Grecon/Dimter Установка для изготовления шпунтовых соединений - б/у not available

номер машины 8154

Производитель

Grecon/Dimter

Модель

Supra

Статьи

Обработка массивной древесины

Cостояние

подержанный

This machine is not available anymore.

We hope one of the following machines fits your needs:

Grecon/Dimter Установка для изготовления шпунтовых соединений - б/у Supra main picture not available

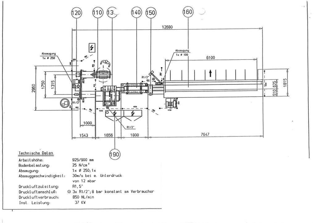
Описание

Линия для производства шпоночных соединений
Производитель Grecon / Dimter
Тип Supra

Длина входного материала прибл. 150–1000 мм
Ширина заготовки прибл. 40–150 мм
Толщина заготовки прибл. 20–80 мм
Длина выходного материала макс. прибл. 6100 мм

Рабочая высота 925/900 мм

1 фрезерный станок (односторонний)

Ручной поворотный стол, тип Dm 150/400/1000
Машина для изготовления шпунтовых соединений, тип SE-150/400/1000
Опрокидывающее и поворотное устройство, тип UKE-205/600/1500
Цепная подача, тип EKK-205/1500
Высокопроизводительная двойная роликовая подача, VE 205/80
Интегрированный пильный пропил
Пресс Conti, тип A-12-6100
Клеевой насос

Включая инструменты и принадлежности

Фотографии Установка для изготовления шпунтовых соединений - б/у

  • Grecon/Dimter Установка для изготовления шпунтовых соединений - б/у Supra (1)
  • Grecon/Dimter Установка для изготовления шпунтовых соединений - б/у Supra (2)
  • Grecon/Dimter Установка для изготовления шпунтовых соединений - б/у Supra (3)
  • Grecon/Dimter Установка для изготовления шпунтовых соединений - б/у Supra (4)
  • Grecon/Dimter Установка для изготовления шпунтовых соединений - б/у Supra (5)
  • Grecon/Dimter Установка для изготовления шпунтовых соединений - б/у Supra (6)
  • Grecon/Dimter Установка для изготовления шпунтовых соединений - б/у Supra (7)
  • Grecon/Dimter Установка для изготовления шпунтовых соединений - б/у Supra (8)
  • Grecon/Dimter Установка для изготовления шпунтовых соединений - б/у Supra (9)
  • Grecon/Dimter Установка для изготовления шпунтовых соединений - б/у Supra (10)