Alpha Brush Structuring machine / Brush Sanding machine - New machine

Número de máquina 8239

Fabricante

Alpha Brush

modelo

KS-WBM

Categoría

Lijador, pulido, limpio

condición

nuevo
Alpha Brush Structuring machine / Brush Sanding machine - New machine KS-WBM main picture

Descripción

Strukturiermaschine / Bürstenschleifmaschine
Fabr. Alpha Brush
Typ KS-WBM

Kompakte Bürstmaschine für Handwerks- und Industrieanwendungen

Die KS-WBM ist eine kleine und kompakte Bürstenschleifmaschine, die einfach einzurichten und zu bedienen ist und nur wenig
wertvollen Platz beansprucht.

Die Maschine ist so konzipiert, dass sie mit den drei leistungsstarken Schleifaggregate von oben das Werkstück einseitig in einem Durchgang in Endqualität bearbeiten kann.
Es können Werkstücke mit Breite von bis zu 400 mm bearbeitet werden, allerdings ist die Maschine zur Bedienstete hin offen, so dass ach breitere Teile gefahren werden können.

Die Maschine kann mit Stahldrahtbürsten, Tynex- bzw. Nylon-Bürsten, einem Bürstenstreifensystem (z.,B. Flex-Trim, Cosma...)sowie Scotch-Brite- und Baumwollscheiben zum Polieren ausgestattet werden. Alle Motoren sind separat frequenzgesteuert und die Höhe der Schleifelemente lässt sich einfach über ein Handrad einstellen. Sechs 100-mm-Staubabsaugstutzen sorgen für eine saubere Arbeitsumgebung.

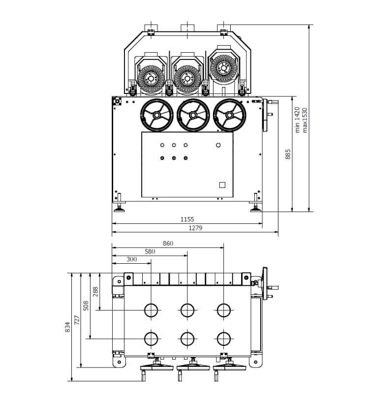
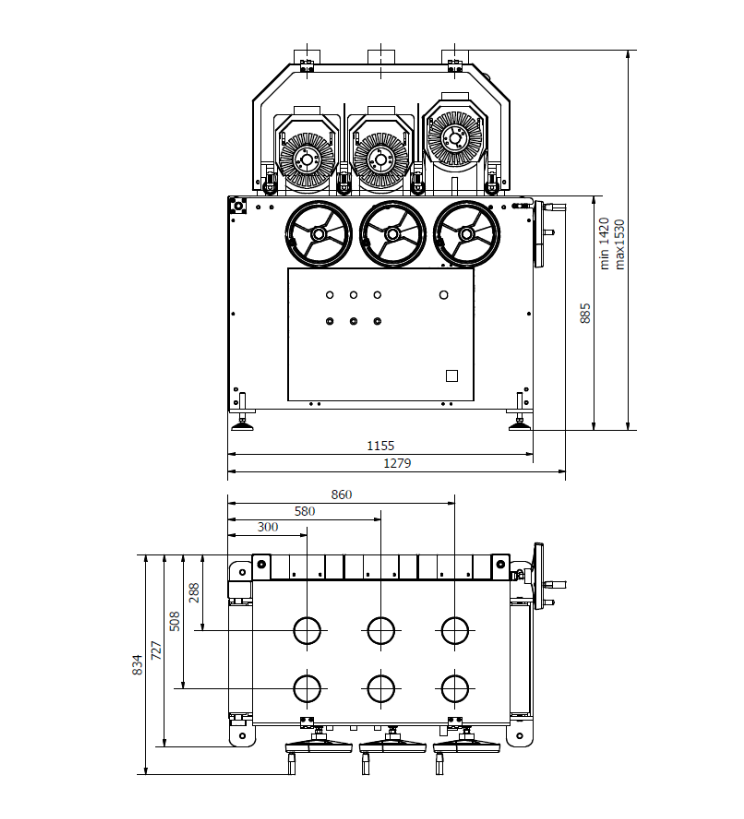
Technische Details:
Arbeitsbreite 400 mm
Durchlasshöhe/Teilestärke 100 mm

3x Bürsten-Schleifaggregat von oben, je 3 kW, einzeln frequenzgeregelt (100 - 700 UpM), Bürstendurchmesser 200 mm
Höhenverstellung über Handrad mit Anzeige
Druckrollen zwischen den Aggregaten zum fixieren der Werkstücke

Vorschub über High-Grip-Transportband,
Vorschubgeschwindigkeit stufenlos regelbar (ca. 2 - 20 m/min.)

Staubschutzgehäuse für sauberes Arbeiten
6x 100 mm Absaugstutzen

400–480 Volt, 3-phasig, 50/60 Hz

Abmessungen ca. 1300 x 840 x 1600 mm LxBxh
Gewicht ca. 650 kg

Fotos de Structuring machine / Brush Sanding machine - New machine

  • Alpha Brush Structuring machine / Brush Sanding machine - New machine KS-WBM (1)
  • Alpha Brush Structuring machine / Brush Sanding machine - New machine KS-WBM (2)
  • Alpha Brush Structuring machine / Brush Sanding machine - New machine KS-WBM (3)
  • Alpha Brush Structuring machine / Brush Sanding machine - New machine KS-WBM (4)
  • Alpha Brush Structuring machine / Brush Sanding machine - New machine KS-WBM (5)